Ersatzteile von XL1000VA6 PEARL BREEZY BLUE (PB341) von 2006

Nach Raumtyp filtern :
  • Motor
  • Rahmen
  • Wartungsteile für motorräder

    WARTUNG, MOTORRADÜBERHOLUNG

    ZYLINDERKOPFDECKEL XL1000VA6 de 2006

    ZYLINDERKOPFDECKEL

    V. ZYLINDERKOPF XL1000VA6 de 2006

    V. ZYLINDERKOPF

    ZYLINDERKOPF, HINTEN XL1000VA6 de 2006

    ZYLINDERKOPF, HINTEN

    NOCKENWELLE/VENTIL XL1000VA6 de 2006

    NOCKENWELLE/VENTIL

    NOCKENWELLENKETTE/SPANNVORRICHTUNG XL1000VA6 de 2006

    NOCKENWELLENKETTE/SPANNVORRICHTUNG

    KURBELGEHAEUSEABDECKUNG XL1000VA6 de 2006

    KURBELGEHAEUSEABDECKUNG

    WASSERPUMPE XL1000VA6 de 2006

    WASSERPUMPE

    KUPPLUNG XL1000VA6 de 2006

    KUPPLUNG

    IMPULSGEBER/ ANLASSERKUPPLUNG XL1000VA6 de 2006

    IMPULSGEBER/ ANLASSERKUPPLUNG

    GENERATOR XL1000VA6 de 2006

    GENERATOR

    KURBELGEHAEUSEDECKEL, L. XL1000VA6 de 2006

    KURBELGEHAEUSEDECKEL, L.

    ANLASSER XL1000VA6 de 2006

    ANLASSER

    OELPUMPE XL1000VA6 de 2006

    OELPUMPE

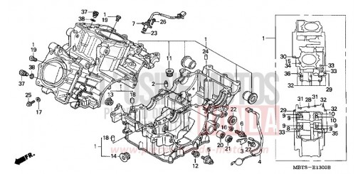
    KURBELGEHAEUSE XL1000VA6 de 2006

    KURBELGEHAEUSE

    KURBELWELLE/KOLBEN XL1000VA6 de 2006

    KURBELWELLE/KOLBEN

    GETRIEBE XL1000VA6 de 2006

    GETRIEBE

    SCHALTTROMMEL XL1000VA6 de 2006

    SCHALTTROMMEL

    WASSERROHR XL1000VA6 de 2006

    WASSERROHR

    DROSSELKLAPPENGEHAEUSE (KOMPL.) XL1000VA6 de 2006

    DROSSELKLAPPENGEHAEUSE (KOMPL.)

    DROSSELKLAPPENGEHAEUSE (EINZELTEILE) XL1000VA6 de 2006

    DROSSELKLAPPENGEHAEUSE (EINZELTEILE)

    SCHEINWERFER XL1000VA6 de 2006

    SCHEINWERFER

    MESSGERAET XL1000VA6 de 2006

    MESSGERAET

    SCHALTER/KABEL/HEBEL XL1000VA6 de 2006

    SCHALTER/KABEL/HEBEL

    VORDERRADBREMSE (XL1000VA) XL1000VA6 de 2006

    VORDERRADBREMSE (XL1000VA)

    VERZOEGERUNGSVENTIL (XL1000VA) XL1000VA6 de 2006

    VERZOEGERUNGSVENTIL (XL1000VA)

    ABS-EINHEIT (VORNE) XL1000VA6 de 2006

    ABS-EINHEIT (VORNE)

    ROHRGRIFF/OBERE BRUECKE XL1000VA6 de 2006

    ROHRGRIFF/OBERE BRUECKE

    LENKSCHAFT XL1000VA6 de 2006

    LENKSCHAFT

    KOTFLUEGEL, VORNE XL1000VA6 de 2006

    KOTFLUEGEL, VORNE

    GABEL, VORNE (XL1000VA) XL1000VA6 de 2006

    GABEL, VORNE (XL1000VA)

    VORDERRAD-BREMSSATTEL (R.) (XL1000VA) XL1000VA6 de 2006

    VORDERRAD-BREMSSATTEL (R.) (XL1000VA)

    VORDERRAD-BREMSSATTEL (L.) (XL1000VA) XL1000VA6 de 2006

    VORDERRAD-BREMSSATTEL (L.) (XL1000VA)

    VORDERRAD XL1000VA6 de 2006

    VORDERRAD

    HAUPTBREMSE, HINTEN ZYLINDER (XL1000VA) XL1000VA6 de 2006

    HAUPTBREMSE, HINTEN ZYLINDER (XL1000VA)

    ABS-EINHEIT (HINTEN) XL1000VA6 de 2006

    ABS-EINHEIT (HINTEN)

    DOSIERUNGSSTEUERUNG VENTIL (XL1000VA) XL1000VA6 de 2006

    DOSIERUNGSSTEUERUNG VENTIL (XL1000VA)

    HINTERRAD-BREMSSATTEL (XL1000VA) XL1000VA6 de 2006

    HINTERRAD-BREMSSATTEL (XL1000VA)

    HINTERRAD XL1000VA6 de 2006

    HINTERRAD

    KRAFTSTOFFTANK XL1000VA6 de 2006

    KRAFTSTOFFTANK

    SITZ XL1000VA6 de 2006

    SITZ

    SITZVERKLEIDUNG/SEITENABDECKUNG XL1000VA6 de 2006

    SITZVERKLEIDUNG/SEITENABDECKUNG

    LUFTFILTER XL1000VA6 de 2006

    LUFTFILTER

    BYPASS-MAGNETSTEUERVENTIL VENTIL XL1000VA6 de 2006

    BYPASS-MAGNETSTEUERVENTIL VENTIL

    LUFTEINSPRITZSTEUERUNG VENTIL XL1000VA6 de 2006

    LUFTEINSPRITZSTEUERUNG VENTIL

    ABGAS-SCHALLDAEMPFER XL1000VA6 de 2006

    ABGAS-SCHALLDAEMPFER

    PEDAL XL1000VA6 de 2006

    PEDAL

    STUFE XL1000VA6 de 2006

    STUFE

    STAENDER XL1000VA6 de 2006

    STAENDER

    SCHWINGE XL1000VA6 de 2006

    SCHWINGE

    KISSEN, HINTEN (XL1000VA) XL1000VA6 de 2006

    KISSEN, HINTEN (XL1000VA)

    KOTFLUEGEL, HINTEN XL1000VA6 de 2006

    KOTFLUEGEL, HINTEN

    BLINKER XL1000VA6 de 2006

    BLINKER

    HECKLEUCHTE XL1000VA6 de 2006

    HECKLEUCHTE

    BATTERIE XL1000VA6 de 2006

    BATTERIE

    KABELBAUM (XL1000VA) XL1000VA6 de 2006

    KABELBAUM (XL1000VA)

    RAHMENKOERPER (XL1000VA) XL1000VA6 de 2006

    RAHMENKOERPER (XL1000VA)

    WERKZEUGE XL1000VA6 de 2006

    WERKZEUGE

    KUEHLER XL1000VA6 de 2006

    KUEHLER

    OBERER WINDLAUF XL1000VA6 de 2006

    OBERER WINDLAUF

    UNTERER WINDLAUF XL1000VA6 de 2006

    UNTERER WINDLAUF

    WARNETIKETT XL1000VA6 de 2006

    WARNETIKETT

    MARKE (E,ED,EK,F,G) XL1000VA6 de 2006

    MARKE (E,ED,EK,F,G)