Ersatzteile von VFR800XF PEARL GLARE WHITE (NHB53) von 2015

Nach Raumtyp filtern :
  • Motor
  • Rahmen
  • Wartungsteile für motorräder

    WARTUNG, MOTORRADÜBERHOLUNG

    ZYLINDERKOPFDECKEL VFR800XF de 2015

    ZYLINDERKOPFDECKEL

    ZYLINDERKOPF (VORNE) VFR800XF de 2015

    ZYLINDERKOPF (VORNE)

    ZYLINDERKOPF (HINTEN) VFR800XF de 2015

    ZYLINDERKOPF (HINTEN)

    NOCKENWELLE/VENTIL (VORNE) VFR800XF de 2015

    NOCKENWELLE/VENTIL (VORNE)

    NOCKENWELLE/VENTIL (HINTEN) VFR800XF de 2015

    NOCKENWELLE/VENTIL (HINTEN)

    NOCKENWELLENKETTE/SPANNVORRICHTUNG VFR800XF de 2015

    NOCKENWELLENKETTE/SPANNVORRICHTUNG

    KURBELGEHAEUSEABDECKUNG VFR800XF de 2015

    KURBELGEHAEUSEABDECKUNG

    KUPPLUNG VFR800XF de 2015

    KUPPLUNG

    ANLASSERKUPPLUNG VFR800XF de 2015

    ANLASSERKUPPLUNG

    GENERATOR VFR800XF de 2015

    GENERATOR

    WASSERPUMPE/KUPPLUNGSNEBENZYLINDER VFR800XF de 2015

    WASSERPUMPE/KUPPLUNGSNEBENZYLINDER

    WASSERROHR VFR800XF de 2015

    WASSERROHR

    ANLASSER VFR800XF de 2015

    ANLASSER

    OELWANNE/OELPUMPE VFR800XF de 2015

    OELWANNE/OELPUMPE

    KURBELGEHAEUSE VFR800XF de 2015

    KURBELGEHAEUSE

    KURBELWELLE/KOLBEN VFR800XF de 2015

    KURBELWELLE/KOLBEN

    GETRIEBE VFR800XF de 2015

    GETRIEBE

    SCHALTTROMMEL VFR800XF de 2015

    SCHALTTROMMEL

    DROSSELKLAPPENGEHAEUSE VFR800XF de 2015

    DROSSELKLAPPENGEHAEUSE

    DROSSELKLAPPENGEHAEUSE (EINZELTEILE) VFR800XF de 2015

    DROSSELKLAPPENGEHAEUSE (EINZELTEILE)

    DICHTUNG SATZ A VFR800XF de 2015

    DICHTUNG SATZ A

    DICHTUNG SATZ B VFR800XF de 2015

    DICHTUNG SATZ B

    SCHEINWERFER VFR800XF de 2015

    SCHEINWERFER

    MESSGERAET VFR800XF de 2015

    MESSGERAET

    SPIEGEL VFR800XF de 2015

    SPIEGEL

    SCHALTER/KABEL VFR800XF de 2015

    SCHALTER/KABEL

    HAUPTBREMSZYLINDER, VORNE ZYLINDER VFR800XF de 2015

    HAUPTBREMSZYLINDER, VORNE ZYLINDER

    ABS-MODULATOR VFR800XF de 2015

    ABS-MODULATOR

    HAUPTKUPPLUNGSZYLINDER VFR800XF de 2015

    HAUPTKUPPLUNGSZYLINDER

    ROHRGRIFF/OBERE BRUECKE VFR800XF de 2015

    ROHRGRIFF/OBERE BRUECKE

    LENKSCHAFT VFR800XF de 2015

    LENKSCHAFT

    KOTFLUEGEL, VORNE VFR800XF de 2015

    KOTFLUEGEL, VORNE

    GABEL, VORNE VFR800XF de 2015

    GABEL, VORNE

    BREMSSATTEL VR (VFR800XF) VFR800XF de 2015

    BREMSSATTEL VR (VFR800XF)

    BREMSSATTEL VL (VFR800XF) VFR800XF de 2015

    BREMSSATTEL VL (VFR800XF)

    VORDERRAD VFR800XF de 2015

    VORDERRAD

    REAR BRAKE MASTER CYLINDER VFR800XF de 2015

    REAR BRAKE MASTER CYLINDER

    HINTERRAD-BREMSSATTEL VFR800XF de 2015

    HINTERRAD-BREMSSATTEL

    HINTERRAD VFR800XF de 2015

    HINTERRAD

    KRAFTSTOFFTANK VFR800XF de 2015

    KRAFTSTOFFTANK

    KRAFTSTOFFPUMPE VFR800XF de 2015

    KRAFTSTOFFPUMPE

    SITZ VFR800XF de 2015

    SITZ

    WINDLAUF, HINTEN/HITZESCHILD VFR800XF de 2015

    WINDLAUF, HINTEN/HITZESCHILD

    LUFTFILTER VFR800XF de 2015

    LUFTFILTER

    LUFTEINSPRITZ-STEUERVENTIL VFR800XF de 2015

    LUFTEINSPRITZ-STEUERVENTIL

    ABGAS-SCHALLDAEMPFER VFR800XF de 2015

    ABGAS-SCHALLDAEMPFER

    PEDAL VFR800XF de 2015

    PEDAL

    STUFE VFR800XF de 2015

    STUFE

    STAENDER VFR800XF de 2015

    STAENDER

    SCHWINGE VFR800XF de 2015

    SCHWINGE

    KISSEN, HINTEN VFR800XF de 2015

    KISSEN, HINTEN

    KOTFLUEGEL, HINTEN VFR800XF de 2015

    KOTFLUEGEL, HINTEN

    BLINKER VFR800XF de 2015

    BLINKER

    HECKLEUCHTE VFR800XF de 2015

    HECKLEUCHTE

    BATTERIE VFR800XF de 2015

    BATTERIE

    KABELBAUM VFR800XF de 2015

    KABELBAUM

    HILFSKABELBAUM VFR800XF de 2015

    HILFSKABELBAUM

    RAHMENKOERPER VFR800XF de 2015

    RAHMENKOERPER

    OELKUEHLER VFR800XF de 2015

    OELKUEHLER

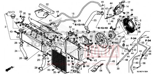
    KUEHLER VFR800XF de 2015

    KUEHLER

    OBERER WINDLAUF (VFR800XF) VFR800XF de 2015

    OBERER WINDLAUF (VFR800XF)

    MITTLERER WINDLAUF VFR800XF de 2015

    MITTLERER WINDLAUF

    UNTERER WINDLAUF VFR800XF de 2015

    UNTERER WINDLAUF

    WERKZEUGE VFR800XF de 2015

    WERKZEUGE

    WARNETIKETT VFR800XF de 2015

    WARNETIKETT

    MARKE VFR800XF de 2015

    MARKE

    MARQUE VFR800XF de 2015

    MARQUE

    ZYLINDERKOPFDECKEL VFR800XF de 2015

    ZYLINDERKOPFDECKEL

    ZYLINDERKOPF (VORNE) VFR800XF de 2015

    ZYLINDERKOPF (VORNE)

    ZYLINDERKOPF (HINTEN) VFR800XF de 2015

    ZYLINDERKOPF (HINTEN)

    NOCKENWELLE/VENTIL (VORNE) VFR800XF de 2015

    NOCKENWELLE/VENTIL (VORNE)

    NOCKENWELLE/VENTIL (HINTEN) VFR800XF de 2015

    NOCKENWELLE/VENTIL (HINTEN)

    NOCKENWELLENKETTE/SPANNVORRICHTUNG VFR800XF de 2015

    NOCKENWELLENKETTE/SPANNVORRICHTUNG

    KURBELGEHAEUSEABDECKUNG VFR800XF de 2015

    KURBELGEHAEUSEABDECKUNG

    KUPPLUNG VFR800XF de 2015

    KUPPLUNG

    ANLASSERKUPPLUNG VFR800XF de 2015

    ANLASSERKUPPLUNG

    GENERATOR VFR800XF de 2015

    GENERATOR

    WASSERPUMPE/KUPPLUNGSNEBENZYLINDER VFR800XF de 2015

    WASSERPUMPE/KUPPLUNGSNEBENZYLINDER

    WASSERROHR VFR800XF de 2015

    WASSERROHR

    ANLASSER VFR800XF de 2015

    ANLASSER

    OELWANNE/OELPUMPE VFR800XF de 2015

    OELWANNE/OELPUMPE

    KURBELGEHAEUSE VFR800XF de 2015

    KURBELGEHAEUSE

    KURBELWELLE/KOLBEN VFR800XF de 2015

    KURBELWELLE/KOLBEN

    GETRIEBE VFR800XF de 2015

    GETRIEBE

    SCHALTTROMMEL VFR800XF de 2015

    SCHALTTROMMEL

    DROSSELKLAPPENGEHAEUSE VFR800XF de 2015

    DROSSELKLAPPENGEHAEUSE

    DROSSELKLAPPENGEHAEUSE (EINZELTEILE) VFR800XF de 2015

    DROSSELKLAPPENGEHAEUSE (EINZELTEILE)

    DICHTUNG SATZ A VFR800XF de 2015

    DICHTUNG SATZ A

    DICHTUNG SATZ B VFR800XF de 2015

    DICHTUNG SATZ B

    SCHEINWERFER VFR800XF de 2015

    SCHEINWERFER

    MESSGERAET VFR800XF de 2015

    MESSGERAET

    SPIEGEL VFR800XF de 2015

    SPIEGEL

    SCHALTER/KABEL VFR800XF de 2015

    SCHALTER/KABEL

    HAUPTBREMSZYLINDER, VORNE ZYLINDER VFR800XF de 2015

    HAUPTBREMSZYLINDER, VORNE ZYLINDER

    ABS-MODULATOR VFR800XF de 2015

    ABS-MODULATOR

    HAUPTKUPPLUNGSZYLINDER VFR800XF de 2015

    HAUPTKUPPLUNGSZYLINDER

    ROHRGRIFF/OBERE BRUECKE VFR800XF de 2015

    ROHRGRIFF/OBERE BRUECKE

    LENKSCHAFT VFR800XF de 2015

    LENKSCHAFT

    KOTFLUEGEL, VORNE VFR800XF de 2015

    KOTFLUEGEL, VORNE

    GABEL, VORNE VFR800XF de 2015

    GABEL, VORNE

    BREMSSATTEL VR (VFR800XF) VFR800XF de 2015

    BREMSSATTEL VR (VFR800XF)

    BREMSSATTEL VL (VFR800XF) VFR800XF de 2015

    BREMSSATTEL VL (VFR800XF)

    VORDERRAD VFR800XF de 2015

    VORDERRAD

    REAR BRAKE MASTER CYLINDER VFR800XF de 2015

    REAR BRAKE MASTER CYLINDER

    HINTERRAD-BREMSSATTEL VFR800XF de 2015

    HINTERRAD-BREMSSATTEL

    HINTERRAD VFR800XF de 2015

    HINTERRAD

    KRAFTSTOFFTANK VFR800XF de 2015

    KRAFTSTOFFTANK

    KRAFTSTOFFPUMPE VFR800XF de 2015

    KRAFTSTOFFPUMPE

    SITZ VFR800XF de 2015

    SITZ

    WINDLAUF, HINTEN/HITZESCHILD VFR800XF de 2015

    WINDLAUF, HINTEN/HITZESCHILD

    LUFTFILTER VFR800XF de 2015

    LUFTFILTER

    LUFTEINSPRITZ-STEUERVENTIL VFR800XF de 2015

    LUFTEINSPRITZ-STEUERVENTIL

    ABGAS-SCHALLDAEMPFER VFR800XF de 2015

    ABGAS-SCHALLDAEMPFER

    PEDAL VFR800XF de 2015

    PEDAL

    STUFE VFR800XF de 2015

    STUFE

    STAENDER VFR800XF de 2015

    STAENDER

    SCHWINGE VFR800XF de 2015

    SCHWINGE

    KISSEN, HINTEN VFR800XF de 2015

    KISSEN, HINTEN

    KOTFLUEGEL, HINTEN VFR800XF de 2015

    KOTFLUEGEL, HINTEN

    BLINKER VFR800XF de 2015

    BLINKER

    HECKLEUCHTE VFR800XF de 2015

    HECKLEUCHTE

    BATTERIE VFR800XF de 2015

    BATTERIE

    KABELBAUM VFR800XF de 2015

    KABELBAUM

    HILFSKABELBAUM VFR800XF de 2015

    HILFSKABELBAUM

    RAHMENKOERPER VFR800XF de 2015

    RAHMENKOERPER

    OELKUEHLER VFR800XF de 2015

    OELKUEHLER

    KUEHLER VFR800XF de 2015

    KUEHLER

    OBERER WINDLAUF (VFR800XF) VFR800XF de 2015

    OBERER WINDLAUF (VFR800XF)

    MITTLERER WINDLAUF VFR800XF de 2015

    MITTLERER WINDLAUF

    UNTERER WINDLAUF VFR800XF de 2015

    UNTERER WINDLAUF

    WERKZEUGE VFR800XF de 2015

    WERKZEUGE

    WARNETIKETT VFR800XF de 2015

    WARNETIKETT